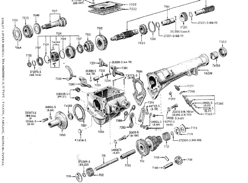
Exploded Views
<
Back to Tech Section
>